WWH05-110CT-G
工作距110mm系列
申请报价
产品参数
产品图纸
相关应用
产品参数
data
基本参数
支持CCD尺寸(Φmm)
11.0(2/3")
放大倍率β(x)
0.5
物方工作距WD(mm)
110±2
像方F/#
9.6
物方景深DOF(mm)
3.1
像方畸变(% max)
<0.1
物方远心度(° max)
<0.1
镜头总长(mm)
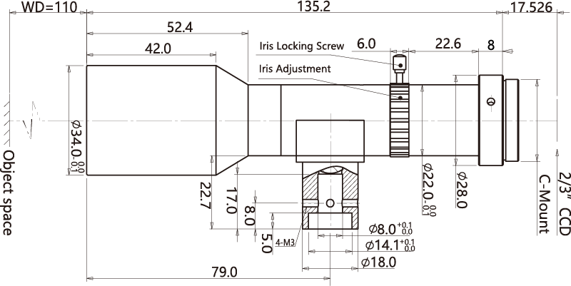
135.2
镜头接口
C-Mount
物方分辨率(μm)
12.9
数值孔径 NA
0.026
是否同轴光
可变光栏
视野范围 (mmxmm)
1/2" (6.4x4.8)
12.8x9.6
1/1.8" (7.13x5.37)
14.3x10.7
2/3" (8.8x6.6)
17.6x13.2
产品图纸
drawing

结构图




相关应用
application