WWH06-150AT
超长工作距系列
申请报价
产品参数
产品图纸
相关应用
产品参数
data
基本参数
支持CCD尺寸(Φmm)
11.0(2/3")
放大倍率β(x)
0.6
物方工作距WD(mm)
150
像方F/#
12
物方景深DOF(mm)
2.7
像方畸变(% max)
0.3
物方远心度(° max)
0.5
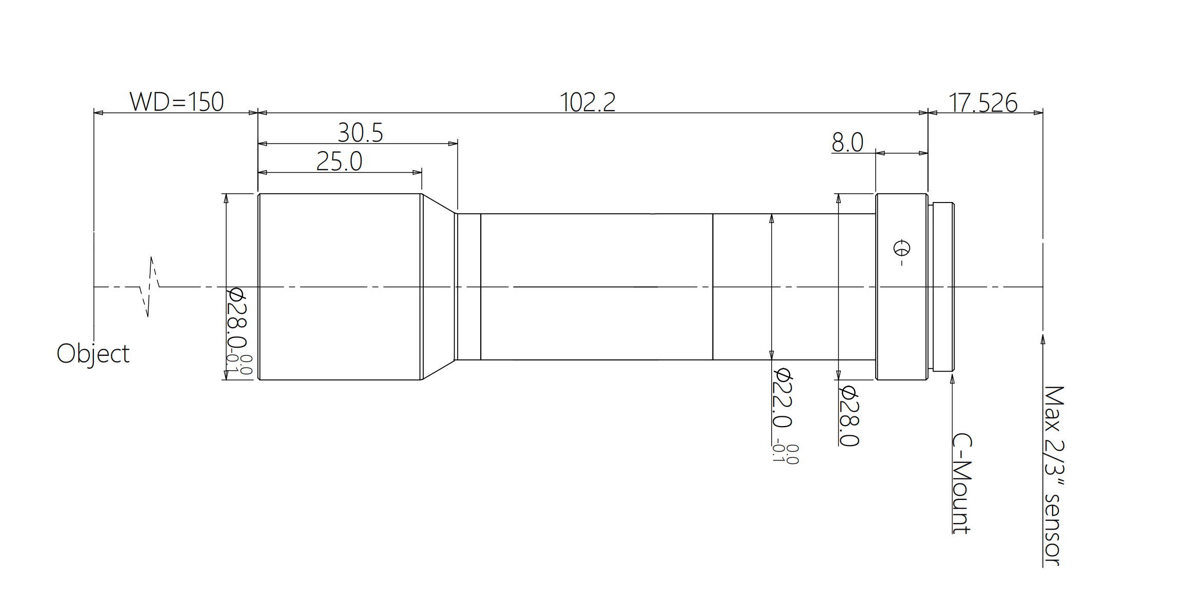
镜头总长(mm)
102.2
镜头接口
C
物方分辨率(μm)
13.4
数值孔径 NA
0.02504
是否同轴光
可变光栏
视野范围 (mmxmm)
1/2" (6.4x4.8)
10.7x8.0
1/1.8" (7.13x5.37)
11.9x9.0
2/3"(8.45x7.1)
14.1x11.8
产品图纸
drawing

结构图

相关应用
application