WWK075-115-111V3-G-SM
超长工作距系列
申请报价
产品参数
产品图纸
相关应用
产品参数
data
基本参数
支持CCD尺寸(Φmm)
18.4(1.1")
放大倍率β(x)
0.75
物方工作距WD(mm)
115
像方F/#
6.6-32
物方景深DOF(mm)
0.9-4.6
像方畸变(% max)
0.15
物方远心度(° max)
0.1
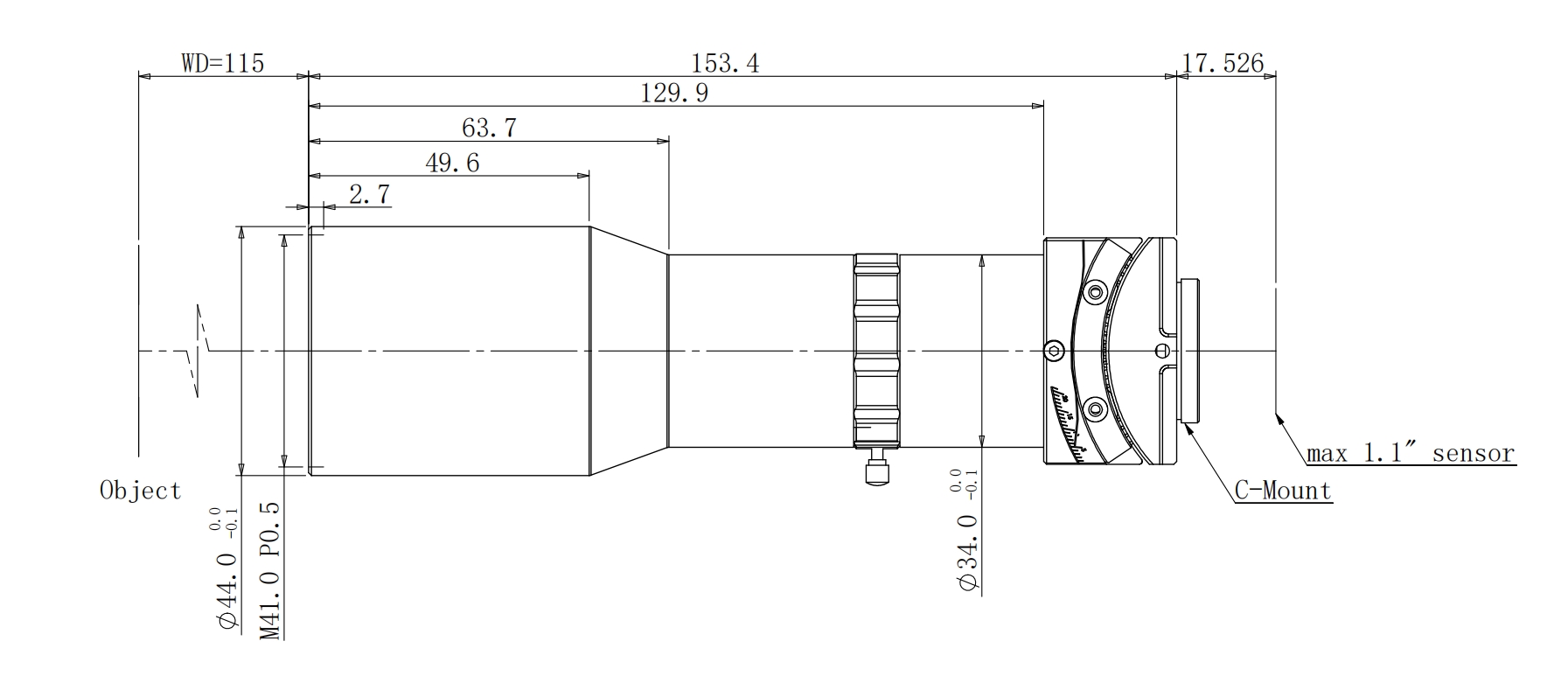
镜头总长(mm)
153.4
镜头接口
C
数值孔径 NA
0.0567-0.01171
是否同轴光
可变光栏
视野范围 (mmxmm)
1.1"GMAX0505(12.8x12.8)
17.1x17.1
1.1"IMX253(14.19x10.38)
18.9x13.8
产品图纸
drawing

结构图:

相关应用
application