DTCM110-42-P
超长工作距系列
申请报价
产品参数
产品图纸
相关应用
产品参数
data
基本参数
放大倍率β(x)
0
物方工作距WD(mm)
0
是否同轴光
0
可变光栏
0
视野范围 (mmxmm)
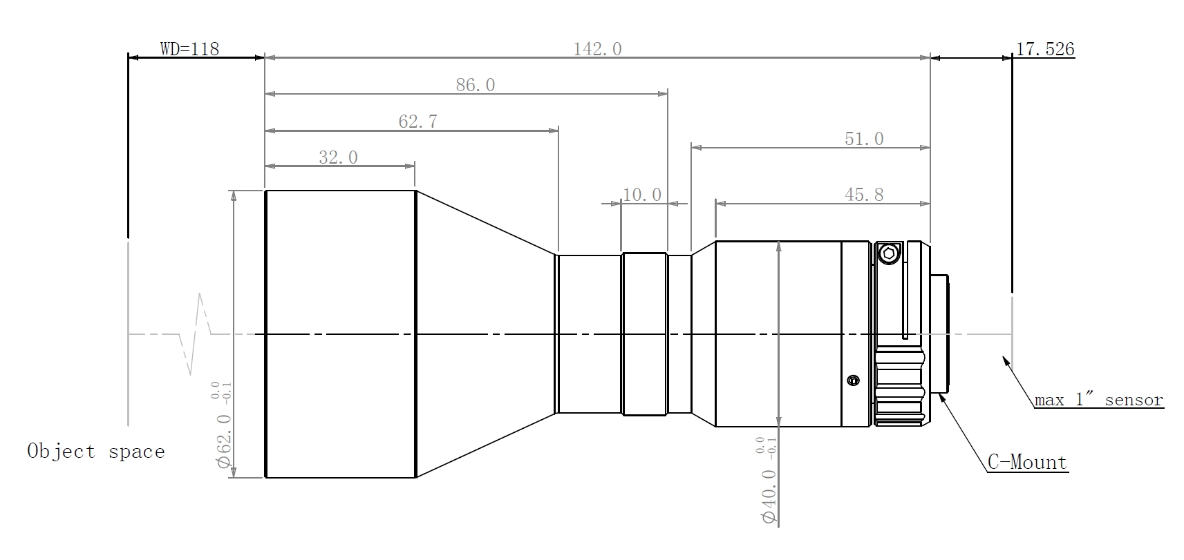
产品图纸
drawing
相关应用
application