WWH05-110ATV3-23
超长工作距系列
下载
download
申请报价
产品参数
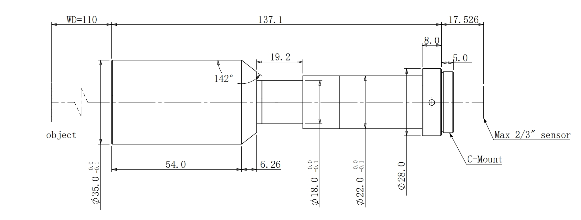
产品图纸
相关应用
产品参数
data
基本参数
支持CCD尺寸(Φmm)
11.0(2/3")
放大倍率β(x)
0.5
物方工作距WD(mm)
110±2
像方F/#
9.6
镜头总长(mm)
137.1
镜头接口
C
物方分辨率(μm)
12.9
数值孔径 NA
0.026
是否同轴光
可变光栏
视野范围 (mmxmm)
产品图纸
drawing
相关应用
application