WWH08-65CT-23
超长工作距系列
下载
download
申请报价
产品参数
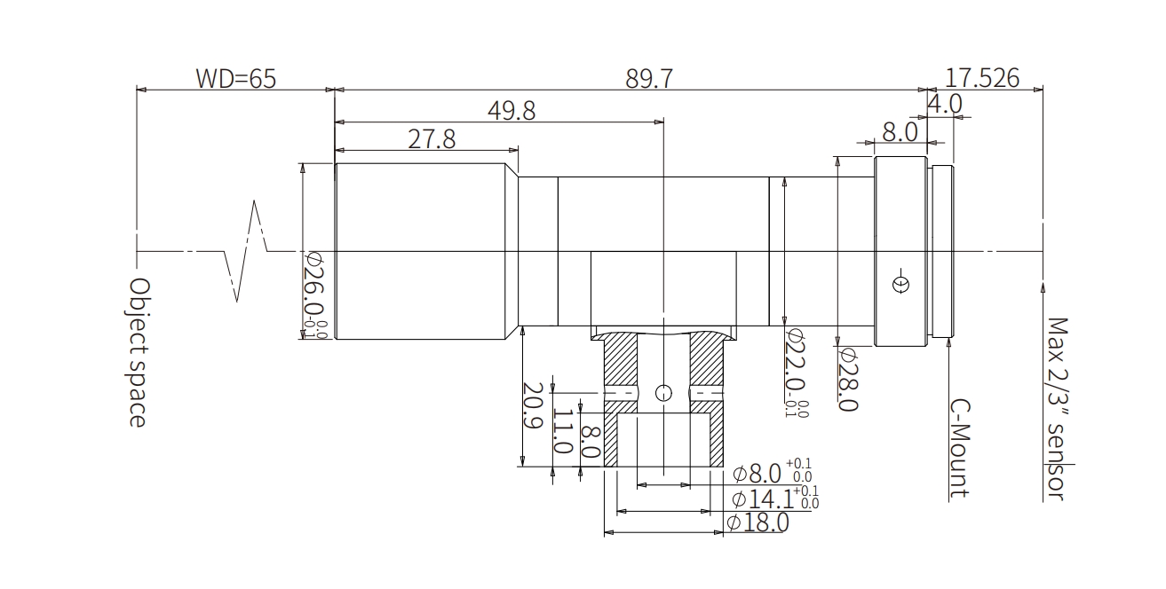
产品图纸
相关应用
产品参数
data
基本参数
支持CCD尺寸(Φmm)
11.0(2/3")
放大倍率β(x)
0.8
物方工作距WD(mm)
65±1
像方F/#
10
像方畸变(% max)
<0.1
物方远心度(° max)
<0.1
镜头总长(mm)
89.7
镜头接口
C
物方分辨率(μm)
8.4
数值孔径 NA
0.04
是否同轴光
可变光栏
视野范围 (mmxmm)
1/2" (6.4x4.8)
8.0x6.0
1/1.8" (7.13x5.37)
8.9x6.7
2/3"(8.45x7.1)
10.6x8.9
产品图纸
drawing
相关应用
application