WWH10-108CTV3-23
超长工作距系列
下载
download
申请报价
产品参数
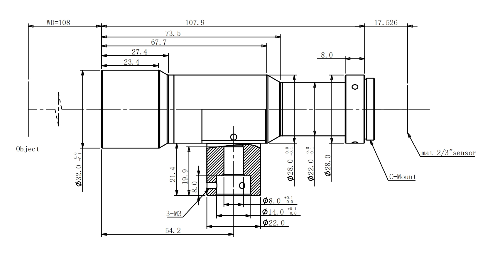
产品图纸
相关应用
产品参数
data
基本参数
支持CCD尺寸(Φmm)
11.0(2/3")
放大倍率β(x)
1
物方工作距WD(mm)
108
像方F/#
7
物方景深DOF(mm)
0.6
像方畸变(% max)
0.1
物方远心度(° max)
0.04
镜头总长(mm)
107.9
镜头接口
C
物方分辨率(μm)
4.7
数值孔径 NA
0.07118
是否同轴光
可变光栏
视野范围 (mmxmm)
1/2" (6.4x4.8)
6.4x4.8
1/1.8" (7.13x5.37)
7.13x5.37
2/3"(8.45x7.1)
8.45x7.1
产品图纸
drawing
相关应用
application