WWH075-65CT-23
超长工作距系列
下载
download
申请报价
产品参数
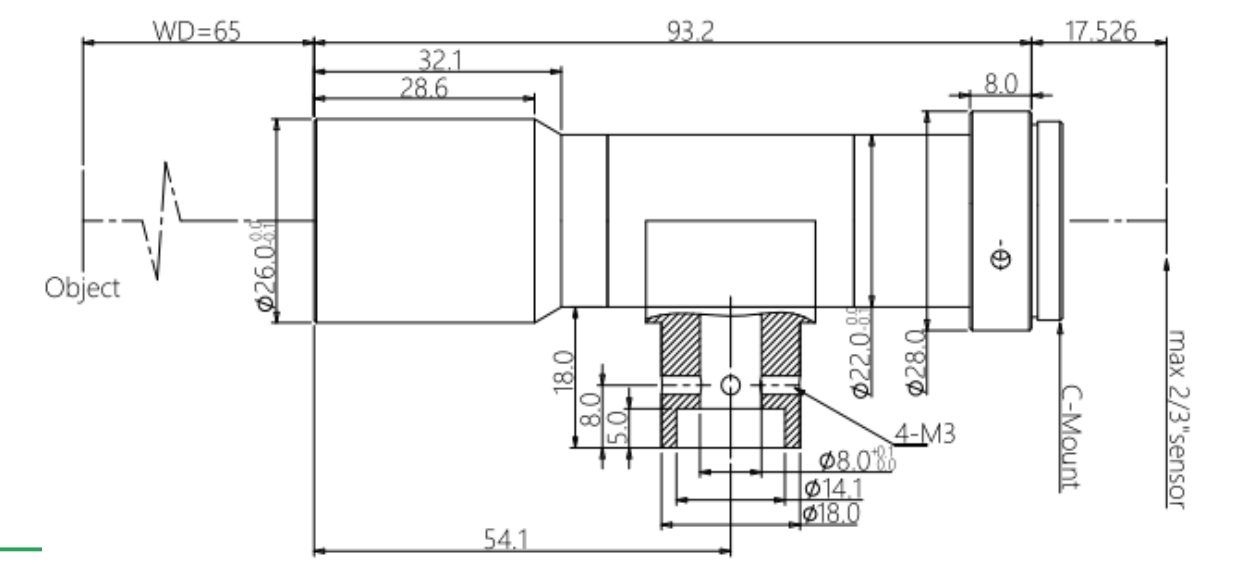
产品图纸
相关应用
产品参数
data
基本参数
支持CCD尺寸(Φmm)
11.0(2/3")
放大倍率β(x)
0.75
物方工作距WD(mm)
65±1
镜头接口
C
是否同轴光
可变光栏
视野范围 (mmxmm)
1/1.8" (7.13x5.37)
9.5x7.2
产品图纸
drawing
相关应用
application