WWH08-108CTV3-23
超长工作距系列
下载
download
申请报价
产品参数
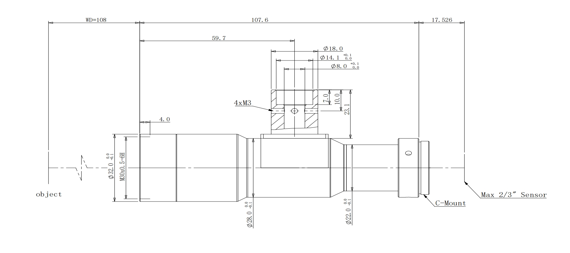
产品图纸
相关应用
产品参数
data
基本参数
支持CCD尺寸(Φmm)
11.0(2/3")
放大倍率β(x)
0.8
物方工作距WD(mm)
108
像方F/#
7
物方景深DOF(mm)
0.9
像方畸变(% max)
0.1
镜头接口
C
物方分辨率(μm)
2.9
是否同轴光
可变光栏
视野范围 (mmxmm)
2/3"(8.45x7.1)
10.6x8.9
产品图纸
drawing
相关应用
application