DTCA185-81-G-M58-AL
最高支持1.85‘’靶面相机
申请报价
产品参数
产品图纸
相关应用
产品参数
data
基本参数
支持CCD尺寸(Φmm)
30(1.85")
物方视场FOV(Φmm)
81
放大倍率β(x)
0.37
物方工作距WD(mm)
250
像方F/#
8-32
像方畸变(% max)
0.02
物方远心度(° max)
0.1
物像距I/O(mm)
462
镜头总长(mm)
200
镜头接口
M58
像方MTF30(lp/mm)
114-30
可变光栏
是否同轴光
视野范围(mmxmm)
1.75"CMV12000(22.53x16.90)
60.9×40.9
1.75" PYTHON16k (18.43x18.43)
49.8×49.8
1.75" LineScan-4k (28.8mm)
77.8
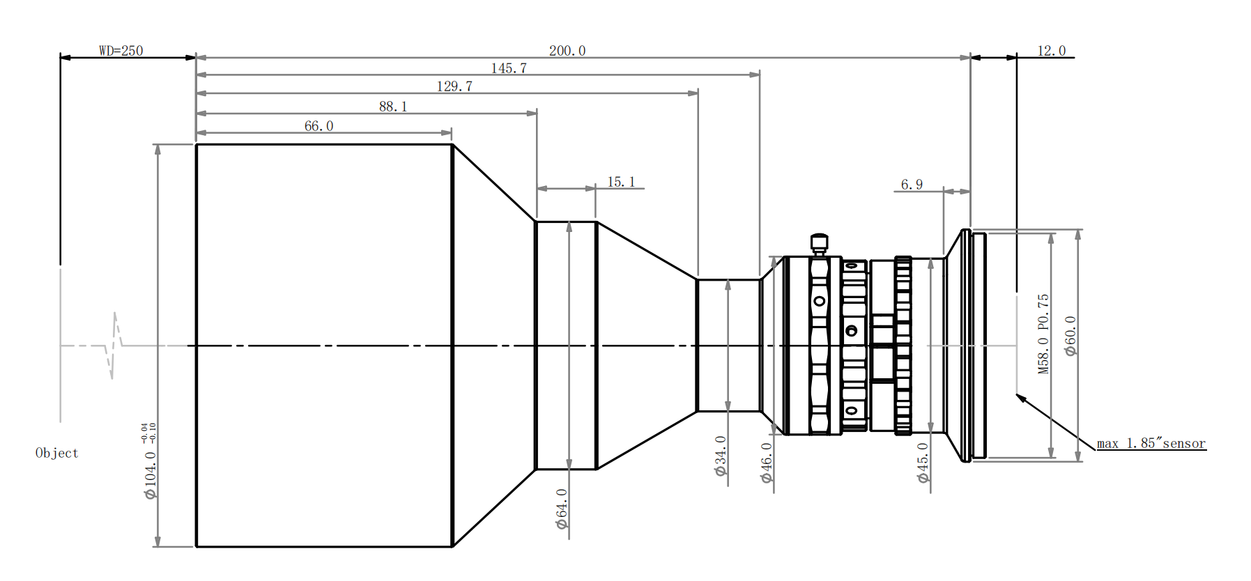
产品图纸
drawing

结构图

相关应用
application