DTCA185-96-G-M58-AL
最高支持1.85‘’靶面相机
申请报价
产品参数
产品图纸
相关应用
产品参数
data
基本参数
支持CCD尺寸(Φmm)
30(1.85")
物方视场FOV(Φmm)
96.9
放大倍率β(x)
0.31
物方工作距WD(mm)
250
像方F/#
8-32
物方景深DOF(mm)
6.7-26.6
像方畸变(% max)
0.035
物方远心度(° max)
0.1
物像距I/O(mm)
455
镜头总长(mm)
193
镜头接口
M58
可变光栏
是否同轴光
视野范围(mmxmm)
1.75" IMX342 (22.3x16.7)
71.9x53.9
1.85" GSPRINT4521(23.0x18.4)
74.2x59.4
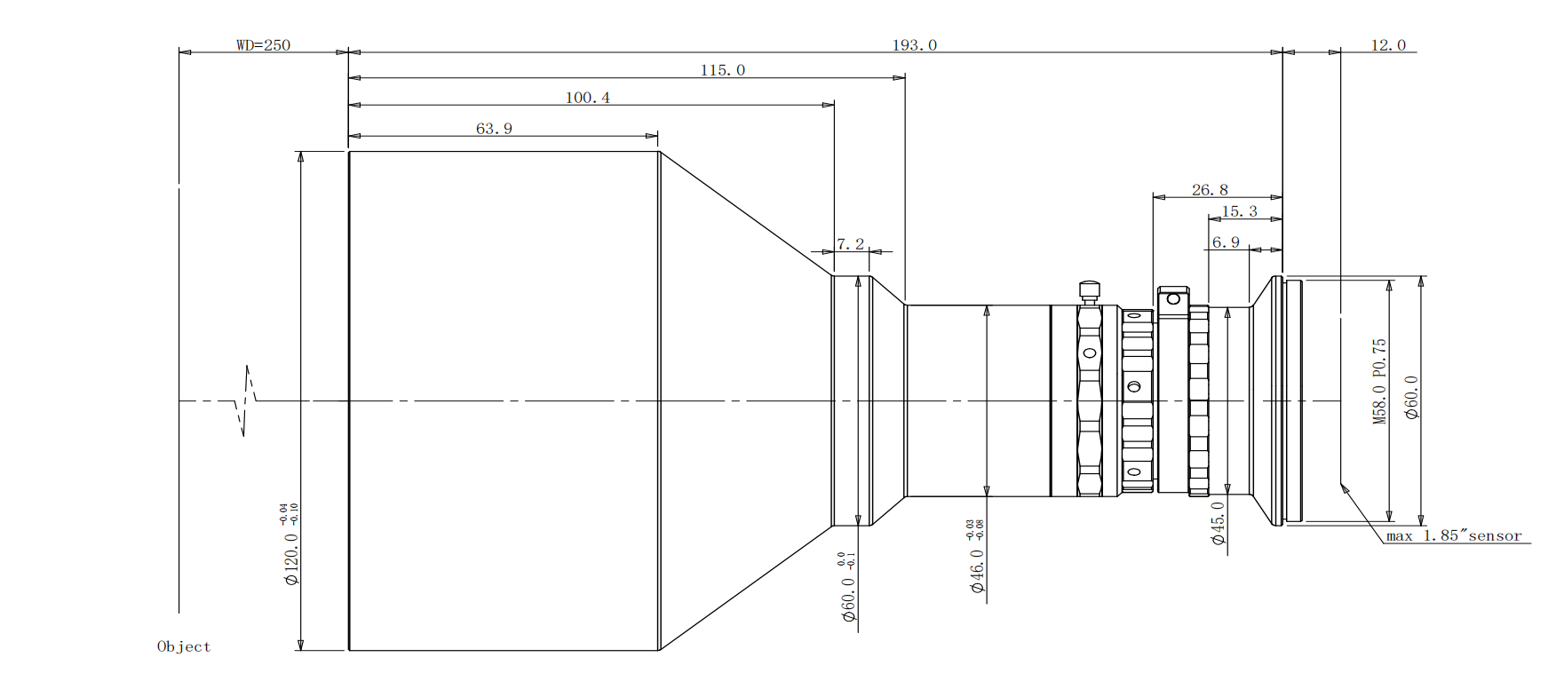
产品图纸
drawing

结构图

相关应用
application